تبلیغات :
دانلود فیلم جدید
خرید فالوور ایرانی
خرید فالوور اینستاگرام
خرید ممبر تلگرام
خرید لپ تاپ استوک
ماهان سرور
آکوستیک ، فوم شانه تخم مرغی ، پنل صداگیر ، یونولیت
دستگاه جوجه کشی حرفه ای
فروش آنلاین لباس کودک

[ + افزودن آگهی متنی جدید ]




صفحه 1105 از 1139 اولاول ... 1056051005105510951101110211031104110511061107110811091115 ... آخرآخر
نمايش نتايج 11,041 به 11,050 از 11389

نام تاپيک: كلوپ خودروهاي آمريكايي

  1. #11041
    Banned
    تاريخ عضويت
    Mar 2022
    محل سكونت
    طهران کوچک
    پست ها
    691

  2. 4 کاربر از لیونل_مسی بخاطر این مطلب مفید تشکر کرده اند


  3. #11042
    در آغاز فعالیت
    تاريخ عضويت
    Apr 2022
    پست ها
    14

    پيش فرض

    سلام پمپ بنزین شورلت نوا من خراب شده و بنزین در روغن نشت میکنه شما چه پمپ بنزین برقی به جای پمپ بنزین مکانیکی خودش پیشنهاد میدید آیا میشه پمپ بنزین خودش رو تعمیر کرد
    Last edited by mohammad45656447; 09-08-2022 at 11:29.

  4. 4 کاربر از mohammad45656447 بخاطر این مطلب مفید تشکر کرده اند


  5. #11043
    داره خودمونی میشه hamid-48's Avatar
    تاريخ عضويت
    Jun 2022
    محل سكونت
    تهران
    پست ها
    83

    پيش فرض

    عرض سلام و کسب اجازه خدمت بزرگان و پیشکسوتان انجمن به خصوص علی آقا (camaro LT)
    بنده اوایل سال به شکل اتفاقی این سایت و انجمن رو پیدا کردم و بعد از اینکه مدتی به شکل میهمان وارد میشدم، عضو شدم. بیش از 1100 صفحه مطلب مفید در مورد خودروهای دوست داشتنی امریکایی رو خوندم که البته تا حدود صفحه 400 بیشتر محتوای خرید و فروش داره اما بعد از اون، به تدریج بار علمی و فنی زیادی از لحاظ سرویس و تعمیرات پیدا می کنه که میتونه برای هر علاقه مند با هر سطحی از دانش و تجربه در مورد این ماشینها با ارزش باشه.
    این حقیر، از جوانی شیفته غولهای امریکایی بودم ولی برخلاف معمول، نمونه های جوانپسند مثل کامارو، ترنس ام، فایربرد، بلیزر، ماستنگ، چلنجر و ..... مد نظرم نبود. اسب سفید رویاهام، سدانهای فول سایز به خصوص فلیت وود، الکترا، لسابر، سویل و در درجه بعد ایمپالا، کاپریس، مالیبو، سنچوری و از این دست بود. ضمن اینکه بین امریکاییها هم تعصب خاص روی GM داشته و دارم و هیچوقت با محصولات آمریکن موتورز و فورد و دوج و .... رابطه خوبی برقرار نکردم.
    متاسفانه به دلایلی مثل سن کم و عدم استقلال مالی و درامد مکفی، ایده آل هام دست نیافتنی بودن لذا به آخرین خودرو لیست محبوبم یعنی شورلت نوا اکتفا کردم و در سال 1369 در سن 21 سالگی یک C6 مدل 57 که تقریبا صفر بود (حدود 6 تا کارکرد) خریدم. ماشین در نوع خودش تقریبا استثنایی بود از نظر کارکرد پایین پس از 12 سال و رنگ سرمه ای متالیک با شیشه های فابریک رنگی و تودوزی مشکی.
    اون ماشین رو سه سال داشتم و حدود 60000 کیلومتر باهاش در شهر و جاده راه رفتم و جالب اینکه فقط برای تعویض روغن کاپوت اون بالا میرفت. ماشین به این بی آزاری و سگ جونی رو باید طلا گرفت. بعد به دلایلی مثل ازدواج و نقل مکان به منزلی با پارکینگ نامناسب و امثالهم، نوای عزیز فروخته شده و کلا آرزوی هیولاهای جی ام هم به ثمر ننشسته خشکید ولی مثل یک آتش زیر خاکستر باقی موند تا اینکه پس از 31 سال، در بهمن سال پیش، در یک حرکت انتحاری، خواستم این آتش از زیر خاکستر بیرون بیارم ولی جالب اینکه این بار به دلیل عدم داشتن وقت و توان کافی جسمی و روحی !!!! رویارویی با مشکلات خاص داشتن آن ایده آل ها، بازهم به همان آخرین گزینه لیست محبوب یعنی شورلت نوا اکتفا کردم.
    یک C3 کرم رنگ مدل 65 که البته توسط مالک قبلی به گیربکس اتوماتیک و کولر (از نوع روکار یا سامسونتی) مجهز شده بود. برای اینکه کمی به ایده آل هام نزدیک بشم خودم با صرف وقت و انرژی نسبتا زیاد، تجهیزاتی به شرح زیر بهش اضافه کردم که تیپ C3 به حالت استاندارد بعضی از اونها رو نداره:
    >زه ناودانی سقف
    >زه دور گلگیرها
    >زه لبه صندوق عقب
    >فن بخارگیر شیشه عقب
    >صندلی های تکی برای جلو
    >دو عدد فن کندانسور پرایدی یکی بزرگ (مدل بالایی) سمت راننده و یک کوچک (مدل پایینی) سمت شاگرد
    >پمپ برقی برای قفل درهای جلو و سیستم دزدگیر
    >درجه آب برقی (بعد از سه تا درجه از نوع اتری که بسیار بی دقت هستن)
    >سرویس سیم کشی زیر و پشت داشبرد و راه اندازی چراغهای ترمز دستی، پشت آمپر، داخل جعبه داشبرد، فندک
    >تهیه (به سختی) و نصب کلید هلالی چراغ دنده عقب
    >پخش صوت و باندهای عقب (شاید هم به اشتباه چون رادیوی فابریک ماشین رو باز کردم و با برش قاب کیلومتر، پخش رو نصب کردم)
    >سرویس و راه اندازی کلیدهای لادری و چراغ سقف
    >و خیلی خرده کاری های دیگه
    سه تا کار اساسی رو هم به تعمیرکار های متخصص آمریکایی سپردم:
    >تعمیر جلوبندی و تعویض بوش طبق ها
    >سرویس و تنظیم کاربراتور
    >سرویس دینام و تعویض آفتامات اون
    البته سرویس کارب و دینام رو قبلا (روی ماشینهای دیگه) انجام داده بودم ولی دیگه مثل سابق شهامت و حوصله ریسک ندارم ضمن اینکه اغلب این کارها قبل از مطالعه توصیه های سودمند اعضای این انجمن به خصوص علی آقا صورت گرفت و به خاطر همین وقت و انرژی بیشتری صرف کردم.
    گفتنی زیاد دارم و همینطور چندتا سوال و مشورت ولی چون پستم خیلی طولانی شده و ساعت هم از یک نیمه شب گذشته، انشاالله در فرصت دیگه ای خدمت میرسم.

  6. 6 کاربر از hamid-48 بخاطر این مطلب مفید تشکر کرده اند


  7. #11044
    ناظر خودروهای امریکایی camaro lt's Avatar
    تاريخ عضويت
    Aug 2009
    محل سكونت
    اهواز
    پست ها
    3,616

    پيش فرض

    سلام پمپ بنزین شورلت نوا من خراب شده و بنزین در روغن نشت میکنه شما چه پمپ بنزین برقی به جای پمپ بنزین مکانیکی خودش پیشنهاد میدید آیا میشه پمپ بنزین خودش رو تعمیر کرد
    درود دوست گرامی، به کلوپ خودروهای آمریکایی خوش آمدید

    متاسفانه امکان تعمیر پمپ بنزین وجود نداره، و حداقل تا جایی که من تجربه داشتم، بعد از باز کردن پرس دور بدنه پمپ، ( حتی اگر ایراد هم برطرف شده باشه) آب بندی مناسبی انجام نشده و نشتی بنزین وجود خواهد داشت.
    بعضیها از پمپ برقی استفاده میکنن و در مواردی نمونه هایی جدید طراحی شده برای داخل یا بیرون باک جهت خودروهای کلاسیک ساخته شده( در آمریکا) اما ممکنه احتمال مناسب بودن نمونه های داخلی هم برای نصب روی اتومبیلهای ما وجود داشته باشه که باید آزمایش بشه.

    عرض سلام و کسب اجازه خدمت بزرگان و پیشکسوتان انجمن به خصوص علی آقا (camaro LT)
    بنده اوایل سال به شکل اتفاقی این سایت و انجمن رو پیدا کردم و بعد از اینکه مدتی به شکل میهمان وارد میشدم، عضو شدم. بیش از 1100 صفحه مطلب مفید در مورد خودروهای دوست داشتنی امریکایی رو خوندم که البته تا حدود صفحه 400 بیشتر محتوای خرید و فروش داره اما بعد از اون، به تدریج بار علمی و فنی زیادی از لحاظ سرویس و تعمیرات پیدا می کنه که.....
    درود دوست گرامی، به کلوپ خودروهای آمریکایی خوش آمدید

    باعث خوشحالیه که مطالب این کلوپ از نظر شما مفید بوده و از آنها استفاده کردید، و البته وجود افرادی مانند شما، مسلما باعث بالاتر رفتن سطح علمی و فنی کلوپ خواهد شد، بنابراین تمنا میکنم حتما، از تجارب خودتان برای ما هم بنویسید و هرچه که متوجه شدید با بقیه به اشتراک بگذارید، چرا که حتی یک مورد به ظاهر سطحی و کم اهمیت میتواند راهنمای خوبی برای همه ما باشه.
    من و بقیه اعضاء کلوپ همیشه آماده صحبت و تبادل نظر در مورد مسائل و مشکلات مختلف اتومبیل هستیم و همچنین تا حد امکان سعی میکنیم بر اساس تجاربی که داشتیم و جستجوها و مطالعه و یادگیری که از اینجا و آنجا بدست آوردیم، کمک و راهنمایی خوبی به بقیه همقطاران کلوپ ارائه بدیم.
    مجددا از اینکه به جمع ما پیوستید، تشکر کرده و امیدوارم در کنار هم ،توان و کارایی علمی کلوپ را افزایش بدهیم
    سپاسگزارم




  8. 6 کاربر از camaro lt بخاطر این مطلب مفید تشکر کرده اند


  9. #11045
    کاربر فعال خودروهای آمریکائی kcnc's Avatar
    تاريخ عضويت
    Oct 2013
    پست ها
    381

    پيش فرض

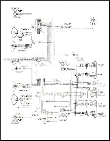
    درود وقت دوستان بخیر
    من یه نوا دارم چراغ های عقبش بجز یه راهنما روشن نمیشه نقشه سیم کشی ماشین رو دارین؟
    نقشه سیم کشی نوا ، من با کمک این نقشه ایرادهایش را برطرف و حتی بیزر را هم فعال کردم
    Last edited by kcnc; 17-08-2022 at 16:05.

  10. 5 کاربر از kcnc بخاطر این مطلب مفید تشکر کرده اند


  11. #11046
    کاربر فعال خودروهای آمریکائی kcnc's Avatar
    تاريخ عضويت
    Oct 2013
    پست ها
    381

    پيش فرض

    عرض سلام و کسب اجازه خدمت بزرگان و پیشکسوتان انجمن به خصوص علی آقا (camaro LT)
    بنده اوایل سال به شکل اتفاقی این سایت و انجمن رو پیدا کردم و بعد از اینکه مدتی به شکل میهمان وارد میشدم، عضو شدم. بیش از 1100 صفحه مطلب مفید در مورد خودروهای دوست داشتنی امریکایی رو خوندم که البته تا حدود صفحه 400 بیشتر محتوای خرید و فروش داره اما بعد از اون، به تدریج بار علمی و فنی زیادی از لحاظ سرویس و تعمیرات پیدا می کنه که میتونه برای هر علاقه مند با هر سطحی از دانش و تجربه در مورد این ماشینها با ارزش باشه.
    این حقیر، از جوانی شیفته غولهای امریکایی بودم ولی برخلاف معمول، نمونه های جوانپسند مثل کامارو، ترنس ام، فایربرد، بلیزر، ماستنگ، چلنجر و ..... مد نظرم نبود. اسب سفید رویاهام، سدانهای فول سایز به خصوص فلیت وود، الکترا، لسابر، سویل و در درجه بعد ایمپالا، کاپریس، مالیبو، سنچوری و از این دست بود. ضمن اینکه بین امریکاییها هم تعصب خاص روی GM داشته و دارم و هیچوقت با محصولات آمریکن موتورز و فورد و دوج و .... رابطه خوبی برقرار نکردم.
    متاسفانه به دلایلی مثل سن کم و عدم استقلال مالی و درامد مکفی، ایده آل هام دست نیافتنی بودن لذا به آخرین خودرو لیست محبوبم یعنی شورلت نوا اکتفا کردم و در سال 1369 در سن 21 سالگی یک C6 مدل 57 که تقریبا صفر بود (حدود 6 تا کارکرد) خریدم. ماشین در نوع خودش تقریبا استثنایی بود از نظر کارکرد پایین پس از 12 سال و رنگ سرمه ای متالیک با شیشه های فابریک رنگی و تودوزی مشکی.
    اون ماشین رو سه سال داشتم و حدود 60000 کیلومتر باهاش در شهر و جاده راه رفتم و جالب اینکه فقط برای تعویض روغن کاپوت اون بالا میرفت. ماشین به این بی آزاری و سگ جونی رو باید طلا گرفت. بعد به دلایلی مثل ازدواج و نقل مکان به منزلی با پارکینگ نامناسب و امثالهم، نوای عزیز فروخته شده و کلا آرزوی هیولاهای جی ام هم به ثمر ننشسته خشکید ولی مثل یک آتش زیر خاکستر باقی موند تا اینکه پس از 31 سال، در بهمن سال پیش، در یک حرکت انتحاری، خواستم این آتش از زیر خاکستر بیرون بیارم ولی جالب اینکه این بار به دلیل عدم داشتن وقت و توان کافی جسمی و روحی !!!! رویارویی با مشکلات خاص داشتن آن ایده آل ها، بازهم به همان آخرین گزینه لیست محبوب یعنی شورلت نوا اکتفا کردم.
    یک C3 کرم رنگ مدل 65 که البته توسط مالک قبلی به گیربکس اتوماتیک و کولر (از نوع روکار یا سامسونتی) مجهز شده بود. برای اینکه کمی به ایده آل هام نزدیک بشم خودم با صرف وقت و انرژی نسبتا زیاد، تجهیزاتی به شرح زیر بهش اضافه کردم که تیپ C3 به حالت استاندارد بعضی از اونها رو نداره:
    >زه ناودانی سقف
    >زه دور گلگیرها
    >زه لبه صندوق عقب
    >فن بخارگیر شیشه عقب
    >صندلی های تکی برای جلو
    >دو عدد فن کندانسور پرایدی یکی بزرگ (مدل بالایی) سمت راننده و یک کوچک (مدل پایینی) سمت شاگرد
    >پمپ برقی برای قفل درهای جلو و سیستم دزدگیر
    >درجه آب برقی (بعد از سه تا درجه از نوع اتری که بسیار بی دقت هستن)
    >سرویس سیم کشی زیر و پشت داشبرد و راه اندازی چراغهای ترمز دستی، پشت آمپر، داخل جعبه داشبرد، فندک
    >تهیه (به سختی) و نصب کلید هلالی چراغ دنده عقب
    >پخش صوت و باندهای عقب (شاید هم به اشتباه چون رادیوی فابریک ماشین رو باز کردم و با برش قاب کیلومتر، پخش رو نصب کردم)
    >سرویس و راه اندازی کلیدهای لادری و چراغ سقف
    >و خیلی خرده کاری های دیگه
    سه تا کار اساسی رو هم به تعمیرکار های متخصص آمریکایی سپردم:
    >تعمیر جلوبندی و تعویض بوش طبق ها
    >سرویس و تنظیم کاربراتور
    >سرویس دینام و تعویض آفتامات اون
    البته سرویس کارب و دینام رو قبلا (روی ماشینهای دیگه) انجام داده بودم ولی دیگه مثل سابق شهامت و حوصله ریسک ندارم ضمن اینکه اغلب این کارها قبل از مطالعه توصیه های سودمند اعضای این انجمن به خصوص علی آقا صورت گرفت و به خاطر همین وقت و انرژی بیشتری صرف کردم.
    گفتنی زیاد دارم و همینطور چندتا سوال و مشورت ولی چون پستم خیلی طولانی شده و ساعت هم از یک نیمه شب گذشته، انشاالله در فرصت دیگه ای خدمت میرسم.
    بنده هم به نوبه خودم خوش آمد می گویم باعث افتخاره که فردی علاقمند و با تجربه مثل شما عضو این کلوپ شده تا همگی از تجربیات ارزشمند تون استفاده کنیم .

  12. 4 کاربر از kcnc بخاطر این مطلب مفید تشکر کرده اند


  13. #11047
    داره خودمونی میشه hamid-48's Avatar
    تاريخ عضويت
    Jun 2022
    محل سكونت
    تهران
    پست ها
    83

    پيش فرض

    درود مجدد خدمت اعضاء و کاربران گرامی
    در ابتدا میخوام از نظر لطف اساتید Camaro LT و kcnc تشکر کنم (چون کاربر جدید هستم، هنوز دسترسی به بعضی امکانات انجمن ها مثل تشکر از پستهای سایرین، برای من امکانپذیر نشده).
    پیرو عرایض قبلی، میخواستم در باره نکات زیر از اهل فن سوالاتی بکنم:
    1- موقعی که دنده رو در وضعیت Dیا R قرار میدم، صدای تقه خشک و بدی میاد که البته با قدری کم کردن دور آروم موتور، قابل تحمل تر شده ولی در مجموع روی مخه !!!. ظاهرا این وضع در گیربکسهای اتومات GM یک اپیدمی هست و حتی برخی از اهل فن میگن طبیعیه. بررسی اولیه زیر ماشین نشون میده عامل قضیه نه گیربکس و نه چهارشاخ گاردان هست بلکه قدری خلاصی تو دف وجود داره که به نظرم بین دنده های پینیون و کرانویل باشه. آیا راهی وجود داره که بدون پیاده و خرد کردن کله گاوی بشه این خلاصی رو رگلاژ کرد؟
    2- موقعی که ترمز میگیرم، یه صدای پیس از زیر پا میاد. قبلا همین سوال تو همین کلوپ مطرح شده و پاسخ دادن که بوستر باید تعمیر بشه چون دیافراگمش پاره یا سوراخه. تستهای رایج بوستر مثل پرکردن و نگه داشتن ترمز در حالت خاموش و سپس روشن کردن ماشین رو انجام دادم که درست بود و ترمز پایین رفت. همینطور شلنگ وکیوم بوستر رو که جدا میکنم دور موتور بالا میره و با اتصال مجدد، پایین میاد که نشون میده بوستر هوا نمیکشه و درست عمل میکنه. حتی وقتی خواستم از یدکی فروش معتبر و قدیمی آمریکایی، لوازم بوستر بخرم و قضیه رو توضیح دادم اونهم گفت این صدا طبیعیه و بوسترت مشکلی نداره. ترمزم قدری ضعیفه و نسبتا فشار بیشتر از حد نرمال لازمه تا به خوبی بگیره. به نظر شما بالاخره با این بوستر چکار کنم؟
    3- گیربکس بسیار نرم و خوب دنده عوض میکنه ولی اینکارو خیلی زود انجام میده. پس از شروع حرکت با طی مسافت کوتاهی، دنده رو به 2 و تقریبا بلافاصله به 3 تغییر میده. اگه کمی سربالایی باشه ماشین کم میاره و مجبور میشم با تخته کردن گاز یا استفاده از شیفتر دستی، دنده رو به 2 برگردونم. راهی برای رگلاژ زمان تعویض دنده، بدون باز کردن گیربکس وجود داره؟
    4- بعد از چند دقیقه درجا کار کردن، وقتی یه گاز نسبتا محکم میدم یه قلپ دود آبی از اگزوز بیرون میزنه که این امر معمولا ناشی از خرابی لاستیکهای گاید سوپاپ هست ولی تو همین کلوپ خوندم که موتورهای GM اصلا گاید سوپاپ ندارن و بوسیله تراشکاری، سوپاپ در جای خودش فیت میشه. حالا سوالم اینه که این موتورها، لاستیک گاید رو دارن یا اونم ندارن؟ و با همون تراشکاری، آب بندی نفوذ روغن از دور ساق سوپاپ هم صورت میگیره. اگه لاستیک سوپاپ دارن پس باید بشه بدون باز کردن سرسیلندر اون لاستیکها رو تعویض کرد و جلوی این روغن سوزی رو گرفت.
    5- از وقتی جلوبندی تعمیر کردم، توی دست اندازها یا سر پیچها، صدای تقه بلندی مثل قولنج شکوندن از زیر ماشین (ظاهرا بیشتر از سمت راننده) میاد. دو بار هم به تعمیرکار مربوطه (که آمریکایی کار بسیار باسابقه و معتبره) مراجعه کردم و قدری بررسی و آچارکشی کرده ولی ایراد پابرجا هست. کسی از دوستان نظری در این مورد داره؟
    قدردان لطف عزیزان هستم

  14. 5 کاربر از hamid-48 بخاطر این مطلب مفید تشکر کرده اند


  15. #11048
    ناظر خودروهای امریکایی camaro lt's Avatar
    تاريخ عضويت
    Aug 2009
    محل سكونت
    اهواز
    پست ها
    3,616

    پيش فرض

    درود مجدد خدمت اعضاء و کاربران گرامی
    در ابتدا میخوام از نظر لطف اساتید Camaro LT و kcnc تشکر کنم (چون کاربر جدید هستم، هنوز دسترسی به بعضی امکانات انجمن ها مثل تشکر از پستهای سایرین، برای من امکانپذیر نشده).
    پیرو عرایض قبلی، میخواستم در باره نکات زیر از اهل فن سوالاتی بکنم:...


    درود مجدد خدمت شما دوست گرامی

    سوالات شما را تا حدی که تجربه و دانسته های من اجازه میده، جواب میدم، اما مسلما دوستان دیگر هم که تجربه های ارزشمندی دارند، بخصوص در مورد گیربکس اتوماتیک و تعمیراتی که شخصا انجام دادند، نظرهای بهتر و توضیحات دقیقتری خواهند داشت.

    1. تقه زدن دلایل زیادی داره، که از جمله کثیف بودن روغن گیربکس، تنظیم نبود سوپاپها و شیرهای روغن که در بخشی به اصطلاح فنی" سنگ ساعت" قرار داره، و دلایل دیگه که مسلما باید بعد از باز کردن و بررسی دقیق قطعات انجام بشه.
    اما با توجه به توضیحی که دادید، و ظاهرا ایراد از خلاصی در کله دیفرانسیل( گراندویل و پنیون) است، بنابراین این احتمال وجود داره که نیاز به رفع خلاصی باشه که اینهم کار چندان ساده ای بریا مکانیکهایی که در ایران وجود داره نیست، چرا که باید کل کله گاوی هوزینگ دیفرانسیل باز شده و بر روی میز کار و گیره، مرتبا چرخانده و بررسی ، و نحوه درگیری دنده های گراندویل با پنیون با دقت اندازه گیری شود. گاهی برای اینکه ببینن این درگیری و قرار گرفتن دنده ها نسبت به هم در چه حالتی هست، مقداری رنگ بر روی دندانه های پنیون زده و اثر رنگ را بعد از یک دور چرخش، بر روی دندانه های گراند ویل بررسی میکنن که باید محل تمام دندانه ها کاملا در وسط هر دنده قرار گرفته باشه، تا هم خلاصی و لقی نداشته و همچنین باعث زوزه کشیدن دیفرانسیل هم نگردد.

    این تنظیم با انجام لاینر گذاری و یا به اصطلاح " شیم گیری" و کم و زیاد کردن فاصله بین پنیون با گراندویل انجام میشه و من تا حالا ندیدم مکانیکی باشه که حوصله و تجربه چنین کاری با این دقت داشته باشه و وقتی کار به این بخش میرسه همه به تعویض کامل کله گاوی رجوع میکنند.

    در تصویر زیر ، اولین ردیف بهترین تماس بین دنده های گراند ویل و پنیون نشان داده شده



    شاید بهتر باشه اگر واقعا به وضعیت دیفرانسیل شک دارید، با باز کردن درب روغن دیفرانسیل و تخلیه روغن، نگاهی دقیقتر به چگونگی رد و اثر دندانه های گراندویل و پنیون بندازید و با حرکت دادن آرام گاردان، مقدار خلاصی احتمالی را اندازه بگیرید که آیا مثلا اگر گیربکس در حالت D قرار میگیره، این صدای تقه و برخورد مستقیما از دیفرانسیل بوجود میاد یا خود گیربکس؟ البته به کمک یک نفر دیگه نیاز دارید تا با دستور شما ماشین در این حالت قرار داده و خود شما از نزدیک شاهد رخداد داخل دیفرانسیل باشید.

    2. اگر منظور شما صدای کمپرس شدن هوا باشه که تقریبا طبیعیه اما از یک حدی بیشتر باشه و ضعف ترمز گیری هم وجود داشته باشه، مسلما ایرادی در کار است.
    فرض بر این میگیرم که واشر لاستیکی بین پمپ و بوستر سالم و هیچگونه نشتی هوا نداره:

    [ برای مشاهده لینک ، با نام کاربری خود وارد شوید یا ثبت نام کنید ]

    بنابراین یا داخل مدار ترمز هوا وجود داره که باید هواگیری کنید، یا یکی از بخشهای ترمز نشتی واره که باعث کم شدن فشار روغن و پایین آمدن کارایی ترمز میشه که باید نشتی پیدا و رفع کنید( معمولا نشتی از اورینگ و لاستیکهای پمپ ترمز اصلی و سیلندرهای ترمز عقب رخ میده)
    اما یک احتمال دیگه هم هست که خودم تجربه داشتم ، اینکه لاستیک بوستر ترمز، با اینکه کاملا سالم و بدون پارگی است، اما به دلیل عمر زیاد و فرسودگی، به حالت خشک شده درآمده و حالت الاستیکی و ارتجاعی کمتری پیدا کرده، و یا برعکس، کش آمده و فرم شل و بیش از حد بزرگتری را به خودش گرفته که در هر دوی این حالتها، ضعف ترمز گیری کاملا مشهود خواهد بود و تنها چاره کار سرویس و تعویض لاستیکهای دیافراگم بوستر هست.
    من در این مورد تجربه مستقیم ندارم و کار را به بوستر ساز سپردم که بسار عالی انجام داد،

    3. اینهم باز میتونه به بهم خوردن تنظیمات سنگ ساعت یا ایراد در گاورنر باشه که اکثرا به کثیف بودن روغن برمیگرده. اکثرا روغن گیربکس اتوماتیک خیلی دیر تعویض یا اصلا تعویض نمیکنن و همین باعث ایجاد مشکلات بعدی شده و در ادامه وجود روغنهای غیر استاندارد و قطعات تقلبی بکار رفته در تعمیرات قبلی گیربکس ، باعث این مشکلات خواهد شد.

    4. لاستیک گاید سوپاپ در این نمونه ها به شکل یک اورینگ است و گاهی برای محکم کاری از لاستیکهای گاید اتومبیلهای دیگه که تا حدی با سایز سوپاپ شورلت همخوانی داشته باشه استفاده میشه اما مهمترین بخش، وجود آب بندی کامل بین ساق سوپاپ با گاید سوپاپ در سرسیلندر است.
    تعویض این لاستیکها بدون بازکردن سرسیلندر امکانپذیر هست، منتها دردسرهایی هم داره.

    اول باید ببینید کدام روغن به کدام سیلندر نفوذ میکنه؟ برای این کار ، تک تک شمعها را باز و وضعیت اونها از نظر چرب بودن و داشتن دوده چرب سیاه بررسی کنید. معمولا این اولین نشانه نفوذ روغن به اتاق انفجار است.

    5. صدای زیاد در دست انداز ، ضعیف بودن کمک فنر در همان سمت، جمع شدن و فرسودگی فنر مارپیچ جلو در همان سمت و فرسودگی ضربه گیرها است.
    اگر سیبکها دارای گریسخور هستن حتما گریسکاری کنید. برای بررسی دقیقتر، از نزدیک همان بخش را نگاه کنید و از یکی دو نفر بخواهید تا جلوی ماشین و ترجیحا همان سمت را با قدرت به سمت پایین فشار بدهند تا ماشین حالت الاکلنگی و فرم افتادن در دست انداز پیدا بکنه.
    در این حالت ممکنه مشاء صدای تولید شده را پیدا کنید.






  16. 6 کاربر از camaro lt بخاطر این مطلب مفید تشکر کرده اند


  17. #11049
    داره خودمونی میشه hamid-48's Avatar
    تاريخ عضويت
    Jun 2022
    محل سكونت
    تهران
    پست ها
    83

    پيش فرض

    سلام و عرض ارادت خدمت همقطاران گرامی
    سپاس فراوان از علی آقا که با صرف وقت و حوصله، سوالهای منو یک به یک پاسخ دادن.
    راستش این چند روز به علت گرفتاری زیاد، نه تونستم به کارای ماشین برسم و نه حتی اینجا سری بزنم. الان هم که قدری مجال انجام تعمیرات پیش اومده، مکان انجامش رو ندارم (پارکینگی که یکی از همسایگان در آپارتمان به من اجاره داده بود، تا دو ماه آینده ازم پس گرفته شد و در اختیار یکی ازبستگان ایشون قرار گرفت). من هم اصلا تمایلی به انجام تعمیرات ماشین درکوچه و خیابان ندارم به خصوص در محله ما که اصلا جای پارک هم به سختی پیدامیشه چه برسه به جای مناسب تعمیرات..... ضمن اینکه برای بعضی کارها مثل بازدید دیفرانسیل یا وضعیت سیلندر ترمزها باید زیر ماشین جک بخوره و واقعاهر جایی نمیشه انجامش داد.
    به هر طریق انشاالله در اولین فرصت ممکن سعی میکنم موارد پیشنهادی روانجام بدم و نتایج رو اینجا بازگو کنم. البته قطعا قلم روان و بیان شیوای علی آقا رو ندارم ضمن اینکه تا به حال تجربه عکسبرداری درحین انجام تعمیرات رو نداشتم و اصولا با توجه به محدودیت های موجود مثل کمبود وقت، کثیف بودن دست و نداشتن یک همکار، شاید اصلا نتونم به خوبی این کارو انجام بدم.
    در ادامه مواردی که پرسیده بودم، نکات دیگه ای هم برام ابهام داره. در رابطه با مشکل تقه دف و پیشنهاد تعویض کله گاوی، به نظرم نمونه های دست دوم چندان قابل اطمینان نیست و احتمال زیادی داره که بعد از نصب ببینیم مشکلزوزه داره. درسته که اوراق فروش به شرط سلامت میده ولی اگه ایراد داشت فقطبا یه نمونه دیگه عوض میکنه و این وسط زحمت و هزینه تعویض چندباره به عهدهخریدار هست (تجربه اش رو سر جعبه فرمان پاترول دارم). کله گاوی کامل نو هم که در بازار نیست (ظاهرا کرانویل و پینیون نو پیدامیشه ولی به قول علی آقا مکانیکهای ما توان تعویض و تنظیم درستش رو ندارنوگرنه مال خودش هم ایراد خاصی نداره و فقط تنظیم میخواد).
    در مورد مشکل تعویض زودهنگام دنده، از کسی شنیدم که پشت وکیوم گیربکس یکپیچ (یا مهره) هست که کارش همین تنظیم زمان تعویض دنده هست و نیازی نیست گیربکس بازبشه. اگه دوستان اطلاعات بیشتری دارن مارو بی نصیب نذارن.
    یک نکته ای هم میخواستم پیشنهاد کنم برای کسانی که فنر صندوق عقب ماشینشونشکسته و شاید نتونن مثل علی آقا با کیفیت خوب جوشکاری و بازسازیش کنن. ماشین من وقتی گرفتم دیدم فنر فابریک رو فقط سمت راننده داره و سمت شاگردبا استفاده از یه فنر مارپیچ مشابه پژو و سمند که یه سرش رو به گوشوارهلولای درب صندوق انداخته و سمت دیگرش رو به پایه نصب جک در گلگیر، به خوبیعمل میکنه و درب رو بالا نگه میداره ضمن اینکه تغییر خاصی هم در سیستمفابریک ماشین ایجاد نمیشه و هر زمان فنر فابریک پیدا شد به سادگی قابلجایگزینی خواهد بود (فنر اصلی دست دوم پارسال هفتصد تومن بود. ایرانی هم اصلا کار نمیکنه). من این ایده رو اخیرا برای تویوتا کرونا مدل 1991 دوستم(که فنرهاش سالم بود ولی پایه های نصب فنر شکسته و حتی بعد از جوشکاری ووصله و پینه صافکار هم جواب نداده بود) به کار بردم و هردو طرف رو با فنرپژویی جایگزین کردم و نتیجه خوبی گرفتم.
    شاد و پیروز باشید

  18. 6 کاربر از hamid-48 بخاطر این مطلب مفید تشکر کرده اند


  19. #11050
    کاربر فعال خودروهای آمریکائی kcnc's Avatar
    تاريخ عضويت
    Oct 2013
    پست ها
    381

    پيش فرض

    درود مجدد خدمت اعضاء و کاربران گرامی
    در ابتدا میخوام از نظر لطف اساتید Camaro LT و kcnc تشکر کنم (چون کاربر جدید هستم، هنوز دسترسی به بعضی امکانات انجمن ها مثل تشکر از پستهای سایرین، برای من امکانپذیر نشده).
    پیرو عرایض قبلی، میخواستم در باره نکات زیر از اهل فن سوالاتی بکنم:
    1- موقعی که دنده رو در وضعیت Dیا R قرار میدم، صدای تقه خشک و بدی میاد که البته با قدری کم کردن دور آروم موتور، قابل تحمل تر شده ولی در مجموع روی مخه !!!. ظاهرا این وضع در گیربکسهای اتومات GM یک اپیدمی هست و حتی برخی از اهل فن میگن طبیعیه. بررسی اولیه زیر ماشین نشون میده عامل قضیه نه گیربکس و نه چهارشاخ گاردان هست بلکه قدری خلاصی تو دف وجود داره که به نظرم بین دنده های پینیون و کرانویل باشه. آیا راهی وجود داره که بدون پیاده و خرد کردن کله گاوی بشه این خلاصی رو رگلاژ کرد؟
    2- موقعی که ترمز میگیرم، یه صدای پیس از زیر پا میاد. قبلا همین سوال تو همین کلوپ مطرح شده و پاسخ دادن که بوستر باید تعمیر بشه چون دیافراگمش پاره یا سوراخه. تستهای رایج بوستر مثل پرکردن و نگه داشتن ترمز در حالت خاموش و سپس روشن کردن ماشین رو انجام دادم که درست بود و ترمز پایین رفت. همینطور شلنگ وکیوم بوستر رو که جدا میکنم دور موتور بالا میره و با اتصال مجدد، پایین میاد که نشون میده بوستر هوا نمیکشه و درست عمل میکنه. حتی وقتی خواستم از یدکی فروش معتبر و قدیمی آمریکایی، لوازم بوستر بخرم و قضیه رو توضیح دادم اونهم گفت این صدا طبیعیه و بوسترت مشکلی نداره. ترمزم قدری ضعیفه و نسبتا فشار بیشتر از حد نرمال لازمه تا به خوبی بگیره. به نظر شما بالاخره با این بوستر چکار کنم؟
    3- گیربکس بسیار نرم و خوب دنده عوض میکنه ولی اینکارو خیلی زود انجام میده. پس از شروع حرکت با طی مسافت کوتاهی، دنده رو به 2 و تقریبا بلافاصله به 3 تغییر میده. اگه کمی سربالایی باشه ماشین کم میاره و مجبور میشم با تخته کردن گاز یا استفاده از شیفتر دستی، دنده رو به 2 برگردونم. راهی برای رگلاژ زمان تعویض دنده، بدون باز کردن گیربکس وجود داره؟
    4- بعد از چند دقیقه درجا کار کردن، وقتی یه گاز نسبتا محکم میدم یه قلپ دود آبی از اگزوز بیرون میزنه که این امر معمولا ناشی از خرابی لاستیکهای گاید سوپاپ هست ولی تو همین کلوپ خوندم که موتورهای GM اصلا گاید سوپاپ ندارن و بوسیله تراشکاری، سوپاپ در جای خودش فیت میشه. حالا سوالم اینه که این موتورها، لاستیک گاید رو دارن یا اونم ندارن؟ و با همون تراشکاری، آب بندی نفوذ روغن از دور ساق سوپاپ هم صورت میگیره. اگه لاستیک سوپاپ دارن پس باید بشه بدون باز کردن سرسیلندر اون لاستیکها رو تعویض کرد و جلوی این روغن سوزی رو گرفت.
    5- از وقتی جلوبندی تعمیر کردم، توی دست اندازها یا سر پیچها، صدای تقه بلندی مثل قولنج شکوندن از زیر ماشین (ظاهرا بیشتر از سمت راننده) میاد. دو بار هم به تعمیرکار مربوطه (که آمریکایی کار بسیار باسابقه و معتبره) مراجعه کردم و قدری بررسی و آچارکشی کرده ولی ایراد پابرجا هست. کسی از دوستان نظری در این مورد داره؟
    قدردان لطف عزیزان هستم
    1- بهتره قبل از پیاده کردن دیفرانسیل گاردان رو پیاده کنید و با دست یوق دف رو بچرخونید اگر موافق یا مخالف ساعت مقداری چرخید مشکل از دف هست و اگر نچرخید مشکل از گیربکس هستش
    دقیقا این مشکل رو وقتی که ماشین خریدم داشت ایرادش از خرابی چهار شاخه گاردان سمت گیربکس بود که با تعویض اون مشکل کاملا برطرف شد
    اگر دف نیاز به تعویض بلبرینگ یا شیم گذاری داشت این کار، کار بیشتر مکانیک ها نیست نه ابزاراش رو دارند نه تجربه اش رو معمولا چنین کارهایی رو تراشکاری ها انجام می دهند
    البته ترشکاری هم چندین شاخه داره یک سری کار سیلندر و سرسیلندر انجام می دهند یک سری دستگاه سازی و قطعه سازی می کنند باید پرس و جو کنید ببینید کدام یک کار خدماتی ماشین انجام می ده که دف رو برای تعمیر ببرید اونجا، یا خودتون ابزارش رو دارید این کار رو انجام بدید

    3-جنابMJ1970 در پست های قبلی در مورد تنظیم وکیوم و سیم سبقت توضیح دادن که جایشان در کلوپ خالیه هر کجا هستن آرزوی موفقیت دارم برایشان
    وکیوم سمت شاگرده شلنگ اش رو در بیارید با یک پیچ گوشتی کوچک می تونید تنظیم کنید به این صورت که اگر موافق عقربه ساعت پیچیده بشه دنده ها رو بیشتر پر می کنه


    4-اگر مطمئن هستید ایراد از خشکی لاستیک سوپاپ هست میشه بدون باز کردن سرسیلندر لاستیک سوپاپ رو تعویض کنید البته باید کمپرسور باد داشته باشید
    به این صورت عمل می کنیم
    بعد از باز کردن درب سوپاپ فولی سر میل لنگ را می چرخانیم تا پیستون به مرگ بالا برسه و هر دو سوپاپ بسته بشه (مرگ بالا و انفجار)
    باید ابزاری ساخته بشه که بتونید خارهای سوپاپ رو در بیارید تا دسترسی به لاستیک مربوطه داشته باشید
    شمع سیلندری که می خواهیم لاستیک سوپاپ رو تعویض بشه باز می کنیم
    در مرحله بعد انتهای شمع کهنه رو درآورده و داخلش که الکترود هست رو در می آوریم و روی سیلندری که نیاز به تعویض لاستیک داره می بندیم و به انتهای شمع شلنگ باد رو وصل می کنیم
    کمپرس باد موجب میشه که بعد از آزاد کردن خار، سوپاپ داخل سیلندر سقوط نکنه در این حالت امکان تعویض لاستیک سوپاپ یا اورینگ بدون باز کردن سرسیلندر هست.

    5-این صدا امکان داره از نامیزان بودن زاویه چرخ ها باشه برای تست می تونید ماشین رو به محوطه پمپ بنزین ببرید چون سطح اونجا کاملا صاف و تراز هست مقداری از ماشین فاصله بگیرید و به موقعیت چرخ هانگاه کنید ببینید چرخ ها به سمت بیرون یا داخل هستن که با اضافه یا کم کردن لاینر زاویه ها رو تنظیم کنید
    بهتره بوش طبق ها و منجیدها رو هم چک کنید.
    Last edited by kcnc; 27-08-2022 at 19:58.

  20. 6 کاربر از kcnc بخاطر این مطلب مفید تشکر کرده اند


Thread Information

Users Browsing this Thread

هم اکنون 1 کاربر در حال مشاهده این تاپیک میباشد. (0 کاربر عضو شده و 1 مهمان)

User Tag List

برچسب های این موضوع

قوانين ايجاد تاپيک در انجمن

  • شما نمی توانید تاپیک ایحاد کنید
  • شما نمی توانید پاسخی ارسال کنید
  • شما نمی توانید فایل پیوست کنید
  • شما نمی توانید پاسخ خود را ویرایش کنید
  •